- Help Center
- LUCCA A53 Direct Plumb
- Troubleshooting
-
Getting Started
-
Espresso 101
-
Warranty, Ordering & Returns
-
Like New & Trade-In Program
-
General Troubleshooting
-
LUCCA A53 Mini/Mini Vivaldi
-
LUCCA A53 Direct Plumb
-
LUCCA Accessories
-
LUCCA M58 by Quick Mill
-
LUCCA Solo
-
LUCCA Tempo
-
LUCCA X58 by Quick Mill
-
LUCCA S58 by Profitec
-
La Marzocco Linea Mini
-
La Marzocco GS3
-
Lelit Mara X
-
Lelit Bianca
-
Lelit Elizabeth
-
Lelit Victoria
-
ECM Synchronika & Synchronika II
-
ECM Special Edition Classika PID
-
ECM Mechanika V Slim
-
ECM Mechanika VI Slim
-
ECM Casa V
-
ECM Puristika
-
Profitec MOVE
-
Profitec RIDE
-
Profitec JUMP
-
Profitec GO
-
Profitec Drive
-
Profitec Pro 300
-
Profitec Pro 400
-
Profitec Pro 500
-
Profitec Pro 600
-
Profitec Pro 700
-
Profitec Pro 800
-
Rocket Appartamento
-
Rocket R58 / Cinquantotto
-
Rocket Giotto
-
Rocket R Nine One
-
Rocket Boxer
-
La Spaziale S2 EK
-
Rancilio Silvia
-
Rancilio Silvia Pro
-
Rancilio Silvia Pro X
-
Sanremo YOU
-
Ascaso Steel DUO
-
Breville Barista Pro
-
Breville Oracle Touch
-
Flair Classic Espresso Maker
-
Flair 58 Pro 2
-
Flair 58 Plus Espresso Maker
-
LUCCA Grinders
-
WEBER WORKSHOPS Grinders
-
Baratza Grinders
-
Eureka Grinders
-
Eureka Mignon Zero
-
ECM Grinders
-
Fellow Grinders
-
Fellow Tally Precision Scale
-
Mahlkönig Grinders
-
DF64 Grinder
-
Quick Mill
-
Izzo Alex Duetto
-
Bezzera BZ10
-
Bezzera Duo DE
-
Bezzera Duo MN
-
Dalla Corte Mina
-
Compak Grinders
-
Dalla Corte Grinders
-
Profitec Grinders
-
Breville Grinders
-
Macap Grinders
-
Fiorenzato Grinders
-
Slayer
LUCCA A53 Mini / DP / Vivaldi: Accessing the Main Computer (CPU)
Instructions for how to access, remove, and open the main CPU on any La Spaziale S1 machine. This includes the Lucca A53 and Vivaldi II models.
You'll need:
- Phillips Screw driver
Keep scrolling to the end of the article for updates to post-2021 S1 machines.
First, you'll need to remove the panels from your machine.
Locate the CPU attached to the right side of the machine.

Remove the three screws fastening the CPU onto the frame of the machine.

Remove the heating triac from the top of the CPU, pushing it off to the side.

Pull the CPU box out through the back of the machine, careful to put all pressure on the casing of the box. It will require some wiggling and pulling wires aside, but it will pull out!


Once out, you can remove the three screws holding the outer box casing together.

Open up the CPU like so, and inspect your wiring, removing it if need be.

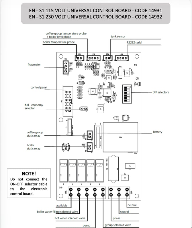
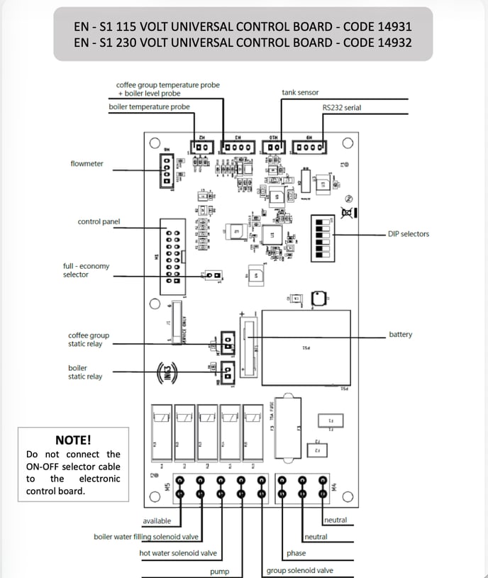
UPDATE: Post-2022 Lucca A53 and Vivaldi II machines now feature an updated Universal S1 Main Computer equipped with Bluetooth functionality. Below you'll find photos showing what that board looks like and how to set it up.
La Spaziale S1 Main Computer


If you have any further questions, contact us at support@clivecoffee.com